CAD2020版作为新的版本的CAD,具有功能强大的计算机辅助设计,同时具有二维设计及三维设计,想要在这两种模式中切换,该怎么实现呢?下面我们来看看详细的教程。
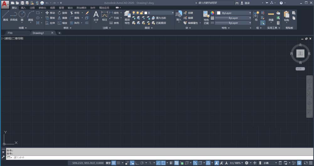
1、打开CAD软件

2、进入设计图纸界面,此时默认显示的二维设计的界面

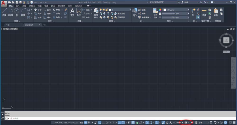
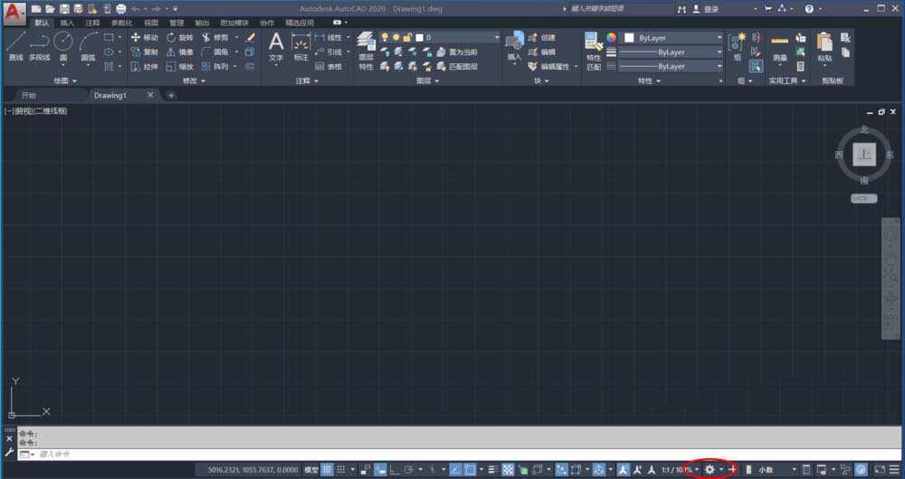
3、选择CAD界面右下角的工具栏,选择类似于“设置”图标,如下图

4、调出模式选择条形栏,默认勾选的“草图与注释”,选择“三维基础”

5、界面就修改成“三维基础”设计界面,如下图

6、“设置”条形栏,选择“三维建模”

7、界面就修改成“三维建模”设计界面,如下图

8、“设置”条形栏,选择“草图与注释”,就回到了初始的二维设计界面

以上就是CAD2020二维模式与三维模式切换的教程,希望大家喜欢,请继续关注武林网。
相关推荐:
cad2020怎么设置双屏显示?
CAD2020怎么修改图层线宽和颜色?
CAD怎么快速建模三维立体的弹簧模型?
新闻热点
疑难解答